logo

Chi tiết sản phẩm

Created with Pixso. Nhà Created with Pixso. các sản phẩm Created with Pixso.
Thiết bị bảo vệ điện áp thấp
Created with Pixso.

Vỏ đồng thau chắc chắn Bảng điều khiển HMI cảm ứng Cần lắc bập bênh 1250W 11-12110-00

Vỏ đồng thau chắc chắn Bảng điều khiển HMI cảm ứng Cần lắc bập bênh 1250W 11-12110-00

Tên thương hiệu: Emerson
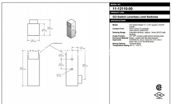
Số mẫu: 11-12110-00
MOQ: 1
giá bán: Có thể đàm phán
Điều khoản thanh toán: L/C, D/A, D/P, T/T, Western Union, MoneyGram
Khả năng cung cấp: trong kho
Thông tin chi tiết
Nguồn gốc:
Mỹ
Chứng nhận:
CE
chi tiết đóng gói:
Hộp ban đầu mới
Khả năng cung cấp:
trong kho
Mô tả sản phẩm
Mô tả chi tiết sản phẩm
Thương hiệu: Emerson Mô hình: 11-12110-00
Nguồn gốc: 11-12110-00 AC: 120/240/480/600VAC
W: 1250W Bao bì: Thẻ:
Điểm nổi bật:

màn hình cảm ứng màn hình hiển thị hmi

,

Các tấm HMI công nghiệp

 

 

HMI màn hình cảm ứng Emerson GO SWITCH 11-12110-00 1250W 120/240/480/600VAC 1/2 inch.

 

GO Switch Model 11 có vỏ cứng và được phê duyệt toàn cầu. Vỏ thép không gỉ được khuyến cáo cho môi trường ướt hoặc khắc nghiệt.Tất cả các công tắc bao gồm các vít gắn đầu tròn với máy giặt khóa và đinh. Chuyển đổi giới hạn không có đòn bẩy ban đầu, GO Switch Model 11 có các đầu nối đèn vàng kín, cảm biến không chạm và phản ứng hành động nhanh trong thiết kế chuyển đổi vuông: vuông 38mm x 116mm cao.Như với tất cả các chuyển đổi GO, nó có thể được dây A / C hoặc D / C, N / O hoặc N / C, không tiêu thụ điện để hoạt động, và không có rò rỉ hoặc giảm điện áp.

Có sẵn trong một vỏ bằng đồng hoặc thép không gỉ, GO Switch Model 11 chịu được sự lạm dụng vật lý, độ ẩm và chất ăn mòn.Nó cung cấp SPDT 10amp liên lạc phù hợp với dòng điện cao hoặc thấp, cũng như cảm biến bên 10mm tiêu chuẩn, cảm biến mở rộng lên đến 14mm, hoặc cảm biến chính xác 6mm.nó có thể chịu được nhiệt độ lên đến 176 °C, và có thể chìm xuống độ sâu 132 mét.

Thiết kế đơn giản, vỏ cứng, phạm vi cảm biến dài, linh hoạt của dây điện và phê duyệt toàn cầu làm cho nó trở thành sự lựa chọn lý tưởng bất cứ nơi nào cần cảm biến vị trí đáng tin cậy.

Lợi ích:

  • Lớp thép không gỉ hoặc thép không gỉ chắc chắn chống lại sự lạm dụng vật lý, độ ẩm, môi trường nổ và ăn mòn.
  • Lớp cột xoay cung cấp hành động nhanh chóng và áp lực tiếp xúc vững chắc, loại bỏ'sự xúc động tiếp xúc' và'sự trò chuyện tiếp xúc' trong các ứng dụng rung động cao
  • Máy tiếp xúc SPDT hạng nặng 10amp/120VAC, 3amp/24VDC, .5amp/125VDC
  • Nhiệt độ tiêu chuẩn -40 °C đến 105 °C, tùy chọn nhiệt độ cao đến 176 °C
  • Thích hợp cho các ứng dụng chống nổ vùng 0, 1 hoặc 2 (Phân khu 1 & 2)
  • Chuyển đổi gần nhất chống nổ duy nhất trên thế giới được đánh giá là 10 amps

 

 

Các cảm biến từ: Loại cảm biến - cảm biến từ cảm ứng; Ứng dụng - cảm biến kim loại sắt; Phong cách gắn thùng - khối; Vị trí cảm biến - bên; dây - 3W; Chế độ đầu ra - SPDT;Vật liệu - Nhà ở - Đồng, Black Lacquer; Connection Type - Conduit Outlet; Connection Size - 1/2" NPT; Enclosure Rating - Class 1, Div. 2; Nhiệt độ hoạt động - -40 đến 177 độ C -40 đến 350 độ F;Thông tin bổ sung - Kích thước khoảng cách: 14 mm. Với nam châm mục tiêu: 95 mm không bao gồm; Dòng sản xuất - GO Switch 10 Series

 

Thông tin bổ sung: Khoảng cách cảm biến: 14 mm. Với nam châm mục tiêu: 95 mm (không bao gồm)

 

Vỏ đồng thau chắc chắn Bảng điều khiển HMI cảm ứng Cần lắc bập bênh 1250W 11-12110-00 0

 

Thông số kỹ thuật:

Loại cảm biến: Cảm biến từ tính
Ứng dụng: Thiết bị cảm biến kim loại sắt
Phong cách gắn thùng: Khóa
Vị trí cảm biến: Bên
Sợi dây: 3W
Chế độ đầu ra: SPDT
Vật liệu - Nhà chứa: Đồng, Sơn Đen
Loại kết nối: Khẩu thoát ống dẫn
Kích thước kết nối: 1/2 inch.
Xác định độ cao: Lớp 1, Div. 2
Nhiệt độ hoạt động: -40 đến 177 độ C (-40 đến 350 độ F)

 

 

Mô hình tương tự:

81-20546-A2 81-20516-A2
7E-33658-DCA 7G-13529-B3
73-1352T-A2 73-13523-A2
73-13524-A2 11-11524-A2