logo

Chi tiết sản phẩm

Created with Pixso. Nhà Created with Pixso. các sản phẩm Created with Pixso.
Thiết bị bảo vệ điện áp thấp
Created with Pixso.

IC693CMM321 Bộ điều khiển Ethernet Plc, SERIES 90-30 Io Ethernet Module 4 kênh

IC693CMM321 Bộ điều khiển Ethernet Plc, SERIES 90-30 Io Ethernet Module 4 kênh

Tên thương hiệu: GE
Số mẫu: IC693CMM321
MOQ: 1
giá bán: Có thể đàm phán
Điều khoản thanh toán: L/C, D/A, D/P, T/T, Western Union, MoneyGram
Khả năng cung cấp: In Stock
Thông tin chi tiết
Place of Origin:
USA
Chứng nhận:
CE
Packaging Details:
New Original Box
Supply Ability:
In Stock
Làm nổi bật:

4 kênh 90-30 Ethernet Module

,

Mô-đun Ethernet Series 90-30

,

IC693CMM321 Ethernet Module

Mô tả sản phẩm
Mô tả chi tiết sản phẩm
Thương hiệu: GE Mô hình: IC693CMM321
Địa điểm xuất xứ: Hoa Kỳ Tên sản phẩm: Mô-đun giao diện Ethernet
Series: 90-30 Trọng lượng: 1 lbs
Điện áp Ripple: 10% Phản ứng bộ lọc đầu vào: 29 Hz
Điểm nổi bật:

Bộ điều khiển có thể lập trình công nghiệp

,

Bộ điều khiển PLC Ethernet

 

 

Bộ điều khiển logic lập trình PLC IC693CMM321 GE FANUC SERIES 90-30 Ethernet Interface Module

 

 

 

 

The Analog Current/Voltage Combination Input/Output module provides up to 4 differential input current or voltage channels and 2 single-ended output channels with either current loop outputs or voltage outputs. Mỗi kênh có thể được cấu hình riêng cho phạm vi dòng điện hoặc điện áp, tùy thuộc, cần thiết cho ứng dụng của bạn.ngoại trừ một jumper cần thiết để chọn chế độ đầu vào hiện tại. Tất cả các phạm vi có thể được cấu hình bằng cách sử dụng chức năng cấu hình phần mềm lập trình Logicmaster 90-30/20 / Micro hoặc Series 90-30 Hand-Held Programmer.

 

Lưu ý rằng trong mô-đun này mô tả, mô-đun sẽ chỉ được gọi là Analog Combo Module.

 

Mỗi đầu vào tương tự có khả năng cung cấp năm phạm vi đầu vào (hai điện áp và ba dòng điện), đó là:

  • 0 đến +10 volt (một cực) - phạm vi mặc định cho cả kênh đầu vào và đầu ra.
  • 10 đến +10 volt (bipolar)
  • 0 đến 20 mA 4 đến 20 mA
  • 4 đến 20 mA tăng cường

 

Phạm vi đầu vào mặc định là chế độ điện áp từ 0 đến +10 volt (một cực) với dữ liệu người dùng được quy mô để 0V tương ứng với số lượng 0 và 10V tương ứng với số lượng 32767.

 

Mỗi đầu ra tương tự có khả năng cung cấp bốn phạm vi đầu ra (hai điện áp và hai dòng):

  • 0 đến +10 volt (một cực) - phạm vi mặc định cho cả kênh đầu vào và đầu ra.
  • 10 đến +10 volt (bipolar)
  • 0 đến 20 milliamp
  • 4 đến 20 milliamp

 

 

 

Thông tin chi tiết

  1. Thương hiệu:GE
  2. Mô hình:IC693CMM321
  3. Địa điểm xuất xứ: Hoa Kỳ

 

Mô tả

Các đầu ra có thể được cấu hình để giữ trạng thái cuối cùng hoặc đặt lại ở mức thấp nhất của phạm vi của chúng nếu nguồn điện của hệ thống bị gián đoạn.Các đầu ra cũng có thể được cấu hình để hoạt động trong chế độ ramp theo lệnh từ chương trình ứng dụngTrong chế độ ramp, kênh đầu ra chuyển sang một giá trị mới trong một khoảng thời gian, thay vì nhận giá trị mới ngay lập tức.Các giới hạn báo động cao và thấp có thể được thiết lập cho tất cả các kênh đầu vào và một lỗi dây mở (các chế độ đầu ra hiện tại) có thể được báo cáo cho CPU cho mỗi kênh đầu raCác mô-đun ALG442 trong các giá đỡ RX3i hỗ trợ nâng cấp firmware trong lĩnh vực này.

 

 

Các thông số kỹ thuật

Số kênh đầu vào:4 khác biệt
Phạm vi đầu vào:0 đến 20 mA / 4 đến 20 mA / 4 đến 20 mA tăng cường
Độ phân giải 0 đến +10V:2.5 mV (1 LSB = 2,5 mV)
Độ phân giải -10 đến +10V:5 mV (1 LSB = 5 mV)
Phản ứng bộ lọc đầu vào:29 Hz
Tiêu thụ điện từ nguồn cung cấp +5V nội bộ:95 mA
Tiêu thụ hiện tại từ nguồn cung cấp bên ngoài của người dùng:129 mA
Loại thiết bị:Nhập / đầu ra tương tự, dòng / điện áp
Phạm vi điện áp cung cấp bên ngoài:20 đến 30 VDC (24 VDC điển hình)
Điện áp Ripple:10%
Tiêu thụ năng lượng:95 mA từ +5 VDC trong, 150 mA từ +24 VDC ngoài
Tỷ lệ cập nhật: Tỷ lệ cập nhật:3 ms
Cô lập, từ trường đến hậu trường và khung đất:250 VAC liên tục; 1500 VAC trong 1 phút
Các đầu ra tương tự:Hai, độc thân? Kết thúc
Phạm vi đầu ra:0-20 mA, 4-20 mA
Khả năng tải đầu ra:2000 pF (tối đa)
Khả năng dẫn tải đầu ra:1 giờ (tối đa)

 

 

The Analog Current/Voltage Combination Input/Output module provides up to 4 differential input current or voltage channels and 2 single-ended output channels with either current loop outputs or voltage outputs. Mỗi kênh có thể được cấu hình riêng cho phạm vi dòng điện hoặc điện áp, tùy thuộc, cần thiết cho ứng dụng của bạn.ngoại trừ một jumper cần thiết để chọn chế độ đầu vào hiện tại. Tất cả các phạm vi có thể được cấu hình bằng cách sử dụng chức năng cấu hình phần mềm lập trình Logicmaster 90-30/20 / Micro hoặc Series 90-30 Hand-Held Programmer.

 

Lưu ý rằng trong mô-đun này mô tả, mô-đun sẽ chỉ được gọi là Analog Combo Module.

 

Mỗi đầu vào tương tự có khả năng cung cấp năm phạm vi đầu vào (hai điện áp và ba dòng điện), đó là:

  • 0 đến +10 volt (một cực) - phạm vi mặc định cho cả kênh đầu vào và đầu ra.
  • 10 đến +10 volt (bipolar)
  • 0 đến 20 mA 4 đến 20 mA
  • 4 đến 20 mA tăng cường

 

Phạm vi đầu vào mặc định là chế độ điện áp từ 0 đến +10 volt (một cực) với dữ liệu người dùng được quy mô để 0V tương ứng với số lượng 0 và 10V tương ứng với số lượng 32767.

 

Mỗi đầu ra tương tự có khả năng cung cấp bốn phạm vi đầu ra (hai điện áp và hai dòng):

  • 0 đến +10 volt (một cực) - phạm vi mặc định cho cả kênh đầu vào và đầu ra.
  • 10 đến +10 volt (bipolar)
  • 0 đến 20 milliamp
  • 4 đến 20 milliamp
 
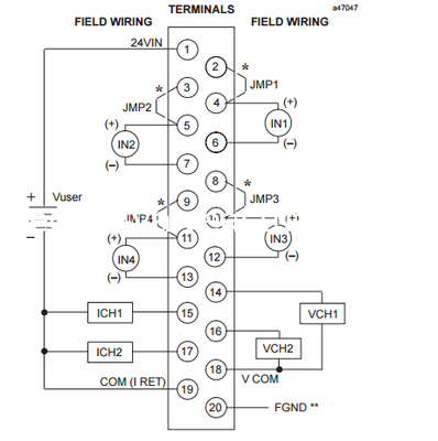
IC693ALG442 Mô-đun kết hợp tương tự Bản đồ dây điện trường
 
IC693CMM321 Bộ điều khiển Ethernet Plc, SERIES 90-30 Io Ethernet Module 4 kênh 0
 
Sản phẩm tương tự
IC693CMM321A IC693CMM321B IC693CMM321C
IC693CMM321D IC693CMM321E IC693CMM321F
IC693CMM321G IC693CMM321H IC693CMM321J
IC693CMM321J IC693CMM321K IC693CMM321L
IC693CMM321M IC693CMM321N IC693CMM321O
IC693CMM321P IC693CMM321Q IC693CMM321R
IC693CMM321S IC693CMM321T IC693CMM321U
IC693CMM321V IC693CMM321W IC693CMM321X
IC693CMM321Y IC693CMM321Z

 

 

IC693CMM321 Bộ điều khiển Ethernet Plc, SERIES 90-30 Io Ethernet Module 4 kênh 1

 


Các sản phẩm cao cấp khác

Yasakawa Motor, Driver SG- Mitsubishi Motor HC-, HA-
Các mô-đun Westinghouse 1C, 5X- Emerson VE, KJ-
Honeywell TC, TK... Động cơ Fanuc A0-
Máy phát Rosemount 3051- Máy phát Yokogawa